E-MTB / E-Cargo

E-Type Pro RF750 Hinterradnabenmotor

Der E-Type Pro RF750 Hinterradnabenmotor ist für E-Cargo- und E-MTB-Fahrräder konzipiert und mit einem 7-Gang-Gewinde am Freilauf und einem 135-mm-ALT kompatibel. Die Nennleistung beträgt 750 W mit einem Drehmoment von über 85 Nm und bewältigt problemlos hohe Lasten und komplexes Gelände. Ausgestattet mit patentierten Kunststoff-Stahl-Zahnrädern bietet der Motor die fünffache Drehmomentkapazität von Nylon-Zahnrädern, hält über 40.000 km und reduziert die Wartungskosten erheblich. Ob auf steilen Hügeln, unebenen Wegen oder beim Transport schwerer Lasten, es bietet außergewöhnliche Steigfähigkeit und sofortige Beschleunigung.

Schlüsselparameter
Motorstruktur: Nennspannung (V): Nennleistung (W):
Nabenmotor mit Hinterradantrieb 36-48 350-750
Spitzendrehmoment (Nm): Gewicht (kg): ALT (mm):
85 5.5 137
Detailinformationen
  • E-Type Pro RF750 Hinterradnabenmotor
  • E-Type Pro RF750 Hinterradnabenmotor
Ningbo Yinzhou HENTACH Electromechanical Co., Ltd. Product Parameters Ningbo Yinzhou HENTACH Electromechanical Co., Ltd. Drawing Ningbo Yinzhou HENTACH Electromechanical Co., Ltd. Contact Us

Kerndaten

Nennleistung 350-750
Nennspannung 36-48
Raddurchmesser 20-28
Geschwindigkeitsbereich 25-38
Maximales Drehmoment 85
Übersetzungsverhältnis 5.27
Gewicht (kg) 5.5

Installationsparameter

Bremse Scheibenbremse
Drehmomentsensorkassette Nein
Verkabelungsroute Achsseite links
Speichenloch 2-18-Ф3.2
Wasserdichtigkeitsklasse IP54 (bis zu IP65)
Schwungrad/Kettenrad 7-Gang-Drehschalter
Zertifikate TÜV/EN15194/RoHS

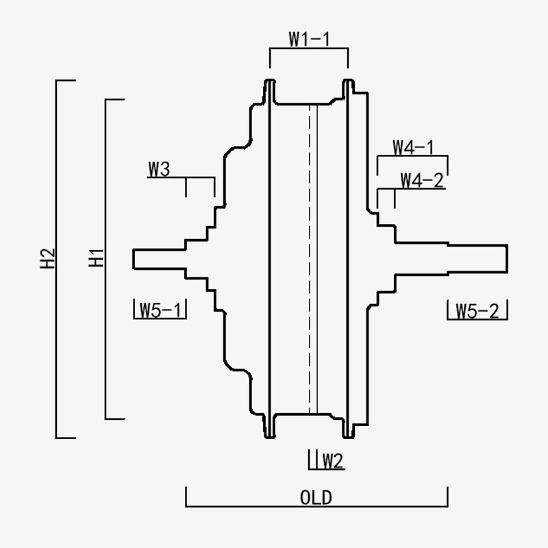
H1/OD: 167
H2/Motor-Außendurchmesser: 187
W1(-1/-2): 40.8
W2: 4.15
W3: 15.2
W4(-1/-2): 37/9
W5(-1/-2): 27/31
ALT: 137
Achslänge: 195
Ningbo Yinzhou HENTACH Electromechanical Co., Ltd.
Kontaktieren Sie uns
  • Senden und senden Sie
Ningbo Yinzhou HENTACH Electromechanical Co., Ltd.
WAS UNS AUSZEICHNET
  • Leistungsstarker Nabenmotor mit Hinterradantrieb, 7-Gang-Schwungrad, 135 mm Getriebeöffnung, höherer Anpassungsfähigkeit und einer Nennleistung von bis zu 750 W.

  • Patentiertes Kunststoff-Stahlgetriebe: 5-mal höheres Drehmoment als Nylongetriebe; Lebensdauer größer als 40.000 Kilometer; geringere Nachverkäufe

  • Stall-Drehmoment bis zu 85 Nm, speziell für E-MTB/Cargo entwickelt.

WER SIND WIR Mehr als 20 Jahre Produktionserfahrung.

Ningbo Yinzhou HENTACH Electromechanical Co., Ltd. (ehemals Hengtai Motor) Gegründet im Jahr 1995 und früher bekannt als „Hengtai Motor“ (der chinesische Name unseres Unternehmens), haben wir 2020 offiziell den englischen Namen „HENTACH Motor“ angenommen. Beide Namen repräsentieren denselben vertrauenswürdigen Hersteller, der sich seit über 30 Jahren der elektromechanischen Innovation widmet. Wir sind auf das Gießen und die Präzisionsbearbeitung von Miniatur-Gleichstrommotoren, Elektro-/Motorrad-Nabenmotoren und Aluminium-Magnesium-Legierungen für Elektrofahrzeuge spezialisiert und kombinieren ein strenges ISO 9001-Qualitätskontrollsystem, ausgereifte Managementpraktiken und modernste Fertigungs-/Testgeräte, um zuverlässige Lösungen zu liefern.

Mit unseren umfassenden Fertigungsmöglichkeiten, die von der Rohmaterialverarbeitung bis zur Auslieferung des Endprodukts reichen, bedienen wir verschiedene Märkte, darunter E-Bikes, Nutzfahrzeuge, fahrerlose Transportsysteme (FTS), Golfcarts, Landmaschinen und E-Karts. Unser über 9.000 m² großer Standort (5.000 m² bebaute Fläche) beherbergt über 60 moderne Produktionsanlagen, darunter 500-Tonnen-Druckgussmaschinen, Präzisions-CNC-Werkzeugmaschinen, Lasermarkierungssysteme, Mikrolichtbogenoxidationsanlagen und zwei spezielle Prüfstände für Elektromotoren. Diese Infrastruktur gewährleistet eine effiziente Produktion und die strikte Einhaltung internationaler Qualitätsstandards.

Bei HENTACH (Hengtai) legen wir Wert auf hochwertige Materialien und proprietäre Technologie – unser patentiertes Nylon-Stahl-Getriebe ist ein Beweis für unsere technische Exzellenz. Um die Haltbarkeit zu bestätigen, haben wir einmal ein Kilometergarantieprogramm für Motoren mit einer Laufleistung von mehr als 30.000 Meilen eingeführt. Das Ergebnis? Mehr als 50 Motoren erfüllten diesen Maßstab nicht nur, sondern übertrafen ihn, wobei einige sogar beeindruckende 50.000 Meilen erreichten. Diese Leistung in der Praxis spiegelt unseren unerschütterlichen Fokus auf Zuverlässigkeit wider und motiviert uns, kontinuierlich Innovationen für intelligentere, stärkere Motorlösungen zu entwickeln.​
Vertrauen Sie der Marke, die weltweit sowohl als Hengtai Motor als auch als HENTACH Motor bekannt ist – wo patentierte Stahlgetriebeinnovation auf bewährte Haltbarkeit trifft.

Zertifiziert von Zertifizierungen