E-Fett/E-Fracht

S-Type Pro RF Hinterradnabenmotor

Der S-Type Pro RF-Hinterradnabenmotor (Freilauf) ist für E-Cargo- und E-Fat-Bikes konzipiert und bietet eine Nennleistung von 750 W bis 1500 W. Es verfügt über einen 7-Gang-Freilauf, ein 175-mm-Ausfallende und ein maximales Drehmoment von über 145 Nm. Dieser Motor sorgt für starke Traktion bei niedrigen Geschwindigkeiten, gewährleistet eine stabile Steigfähigkeit an steilen Hängen und weichem Sand und beseitigt effektiv Leistungsmängel bei hoher Last. Ausgestattet mit den patentierten Kunststoff-Stahl-Zahnrädern von HENTACH bietet es die fünffache Drehmomentkapazität herkömmlicher Nylon-Zahnräder, hält über 40.000 km und senkt die Wartungskosten erheblich. Bei E-Bike-Anwendungen über 1000 W können nur die Kunststoff-Stahl-Zahnräder von Hengtai Dauerdrehmomenten über 100 Nm standhalten.

Schlüsselparameter
Motorstruktur: Nennspannung (V): Nennleistung (W):
/ 36-60 600-1500
Spitzendrehmoment (Nm): Gewicht (kg): ALT (mm):
145 5.8 175
Detailinformationen
  • S-Type Pro RF Hinterradnabenmotor
  • S-Type Pro RF Hinterradnabenmotor
Ningbo Yinzhou HENTACH Electromechanical Co., Ltd. Product Parameters Ningbo Yinzhou HENTACH Electromechanical Co., Ltd. Drawing Ningbo Yinzhou HENTACH Electromechanical Co., Ltd. Contact Us

Kerndaten

Nennleistung 600-1500
Nennspannung 36-60
Raddurchmesser 20-26
Geschwindigkeitsbereich 35-65
Maximales Drehmoment 145
Übersetzungsverhältnis 5
Gewicht (KG) 5.8

Installationsparameter

Bremse Scheibenbremse
Drehmomentsensorkassette Nein
Verkabelungsroute Achsseite links
Speichenloch 2-18-Ф3.2
Wasserdichtigkeitsklasse IP54 (bis zu IP65)
Schwungrad/Kettenrad Wirbelgeschwindigkeit von sieben Geschwindigkeiten
Zertifikate TÜV/EN15194/RoHS

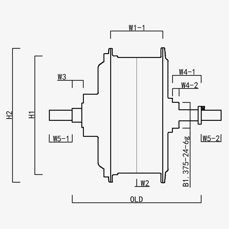
H1/OD: 162
H2/Motor-Außendurchmesser: 183
W1(-1/-2): 70.8
W2: 0
W3: 15.2
W4(-1/-2): 39/9
W5(-1/-2): 31/27
ALT: 175
Achslänge: 233
Ningbo Yinzhou HENTACH Electromechanical Co., Ltd.
Kontaktieren Sie uns
  • Senden und senden Sie
Ningbo Yinzhou HENTACH Electromechanical Co., Ltd.
WAS UNS AUSZEICHNET
  • Leistungsstarker Nabenmotor mit Hinterradantrieb und offenem 175-mm-Getriebe, Nennleistung bis zu 1500 W.

  • Erfundene patentierte Kunststoffzahnräder: 5-faches Drehmoment von Nylonzahnrädern; Lebensdauer größer als 40.000 km; geringere Nachverkäufe

  • Stall-Drehmoment bis zu 145 Nm oder mehr, ausgelegt für Fett/Fracht.

WER SIND WIR Mehr als 20 Jahre Produktionserfahrung.

Ningbo Yinzhou HENTACH Electromechanical Co., Ltd. (ehemals Hengtai Motor) Gegründet im Jahr 1995 und früher bekannt als „Hengtai Motor“ (der chinesische Name unseres Unternehmens), haben wir 2020 offiziell den englischen Namen „HENTACH Motor“ angenommen. Beide Namen repräsentieren denselben vertrauenswürdigen Hersteller, der sich seit über 30 Jahren der elektromechanischen Innovation widmet. Wir sind auf das Gießen und die Präzisionsbearbeitung von Miniatur-Gleichstrommotoren, Elektro-/Motorrad-Nabenmotoren und Aluminium-Magnesium-Legierungen für Elektrofahrzeuge spezialisiert und kombinieren ein strenges ISO 9001-Qualitätskontrollsystem, ausgereifte Managementpraktiken und modernste Fertigungs-/Testgeräte, um zuverlässige Lösungen zu liefern.

Mit unseren umfassenden Fertigungsmöglichkeiten, die von der Rohmaterialverarbeitung bis zur Auslieferung des Endprodukts reichen, bedienen wir verschiedene Märkte, darunter E-Bikes, Nutzfahrzeuge, fahrerlose Transportsysteme (FTS), Golfcarts, Landmaschinen und E-Karts. Unser über 9.000 m² großer Standort (5.000 m² bebaute Fläche) beherbergt über 60 moderne Produktionsanlagen, darunter 500-Tonnen-Druckgussmaschinen, Präzisions-CNC-Werkzeugmaschinen, Lasermarkierungssysteme, Mikrolichtbogenoxidationsanlagen und zwei spezielle Prüfstände für Elektromotoren. Diese Infrastruktur gewährleistet eine effiziente Produktion und die strikte Einhaltung internationaler Qualitätsstandards.

Bei HENTACH (Hengtai) legen wir Wert auf hochwertige Materialien und proprietäre Technologie – unser patentiertes Nylon-Stahl-Getriebe ist ein Beweis für unsere technische Exzellenz. Um die Haltbarkeit zu bestätigen, haben wir einmal ein Kilometergarantieprogramm für Motoren mit einer Laufleistung von mehr als 30.000 Meilen eingeführt. Das Ergebnis? Mehr als 50 Motoren erfüllten diesen Maßstab nicht nur, sondern übertrafen ihn, wobei einige sogar beeindruckende 50.000 Meilen erreichten. Diese Leistung in der Praxis spiegelt unseren unerschütterlichen Fokus auf Zuverlässigkeit wider und motiviert uns, kontinuierlich Innovationen für intelligentere, stärkere Motorlösungen zu entwickeln.​
Vertrauen Sie der Marke, die weltweit sowohl als Hengtai Motor als auch als HENTACH Motor bekannt ist – wo patentierte Stahlgetriebeinnovation auf bewährte Haltbarkeit trifft.

Zertifiziert von Zertifizierungen